Zrušenie automatického rozsvecovania svetiel.
Moderátoři: Blue Lanos, Scorpion.11, lomngi
Zrušenie automatického rozsvecovania svetiel.
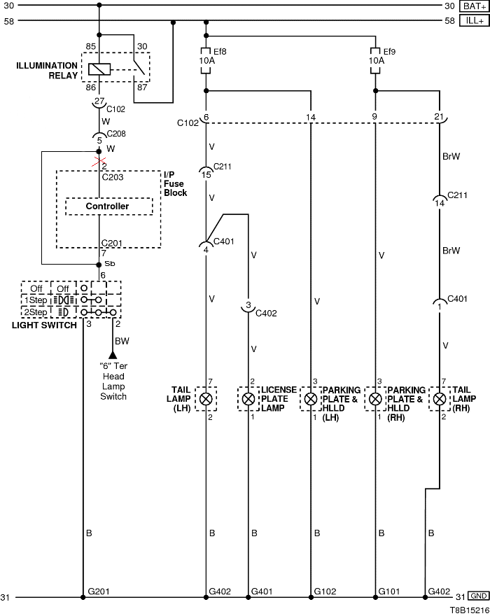
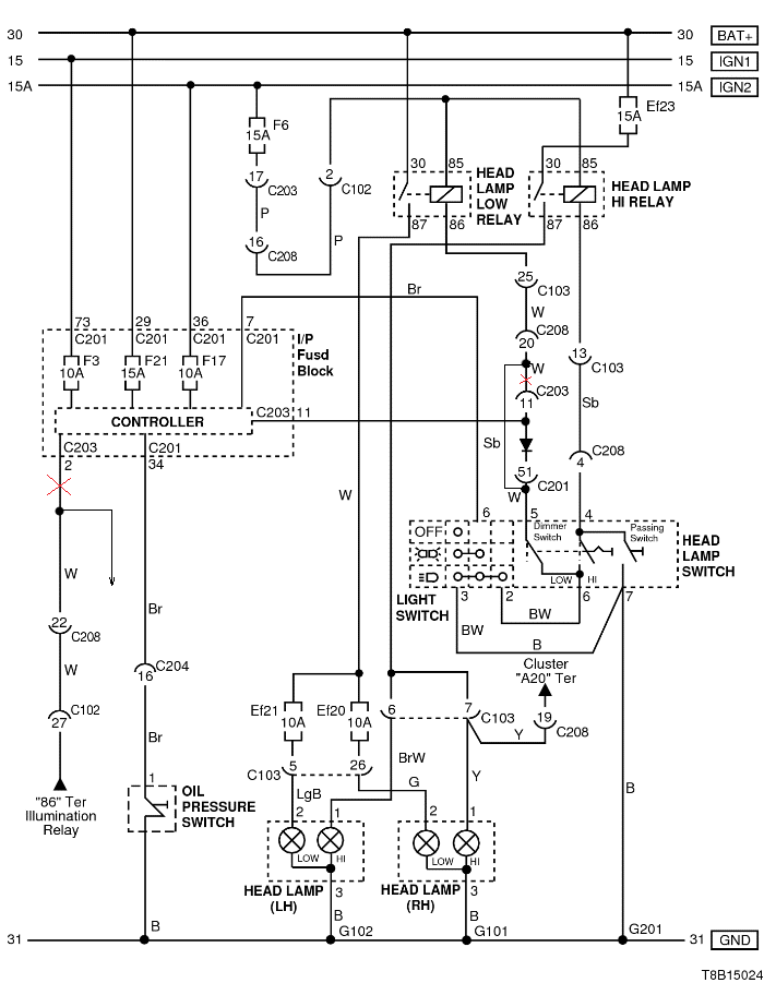
Mám Aveo sedan 2010 a chcem namontovať denné svietenie ale voz sám po štarte zapína svetlá.Previedol som túto úpravu a dokreslil som ju do schém.Nasledovať bude montáž LED denného svietenia a modulu na automatické rozsvecovanie svetiel http://www.jb-tuning.sk/Svetelny-senzor ... ab=comment .
Chevrolet Orlando 1,8 16V 104KW r.v.2012
Chevrolet Aveo 1,2 16V 62KW r.v.2010 predané
Daewoo Espero 1,5 16V 66KW r.v.1996 predané
Škoda Felícia 1,3 50KW LPG post mortem
Škoda 105 LS 37KW post mortem
Chevrolet Aveo 1,2 16V 62KW r.v.2010 predané
Daewoo Espero 1,5 16V 66KW r.v.1996 predané
Škoda Felícia 1,3 50KW LPG post mortem
Škoda 105 LS 37KW post mortem
- Reklama
Re: Zrušenie automatického rozsvecovania svetiel.
Tu sú fotky z realizovanej úpravy.
Chevrolet Orlando 1,8 16V 104KW r.v.2012
Chevrolet Aveo 1,2 16V 62KW r.v.2010 predané
Daewoo Espero 1,5 16V 66KW r.v.1996 predané
Škoda Felícia 1,3 50KW LPG post mortem
Škoda 105 LS 37KW post mortem
Chevrolet Aveo 1,2 16V 62KW r.v.2010 predané
Daewoo Espero 1,5 16V 66KW r.v.1996 predané
Škoda Felícia 1,3 50KW LPG post mortem
Škoda 105 LS 37KW post mortem
- Scorpion.11
- Příspěvky: 6284
- Registrován: úte kvě 19, 2009 14:36
- Bydliště: Městys Jedovnice
Re: Zrušenie automatického rozsvecovania svetiel.
Tak to jsem zvědav zdali se ti to podaří

AVEO, 1.4 SEDAN STAR, 69KW, r.v 2008, koupeno (5/2009)
člen AVEO Fanclubu
člen AVEO Fanclubu
Re: Zrušenie automatického rozsvecovania svetiel.
Tak na toto som zvedavy aj jaa veeelmi ci to bude fungovat, a ked bude a uvidi to Boeing tak to este len bude 
Aveo 1.4 16V 69Kw, sedan Šedá Metalíza -
výbava : čím ďalej tým lepšia :D
výbava : čím ďalej tým lepšia :D
Re: Zrušenie automatického rozsvecovania svetiel.
Držím palce!
Potom vyskúšam na T300
Potom vyskúšam na T300
Chevrolet AVEO LT, 1.2 63kW,2012 Borocay Blue
...v koži od MAD, DRL, kamera ... a ešte nie je koniec :)
...v koži od MAD, DRL, kamera ... a ešte nie je koniec :)