Led denne svietenie

Osvětlení, signalizace, audio, pojistky.

Moderátoři: Blue Lanos, Scorpion.11, lomngi

Odpovědět
Uživatelský avatar
Boeing737
Příspěvky: 1883
Registrován: ned čer 10, 2012 02:27

Re: Led denne svietenie

Příspěvek od Boeing737 »

Scorpion.11 píše:Tak jsi prohrál? -P :PP:
Tak už to asi musím uznať.
Nie je riešenie. Na nete nájdete ako zhotoviť bombu,ale ako vypnúť svetlá nie.
Nahradiť RJ iným programom sa zatiaľ nedá a aj keby bol,tak ako ho tam dostať?
Vyskúšal som už všetko,prečítal fóra poľsko,ukraina,rusko,maďarsko,US,thajsko,japonsko.,vyskúšal návody. Už neviem kto ešte zisťoval viac.
Na T300 svetlá asi nevypnem.

Už som chcel obj.nový spínač svetiel,ktorý by sa dal otočiť do polohy 0. Ale už neviem či to má zmysel.
Naposledy upravil(a) Boeing737 dne sob úno 21, 2015 18:20, celkem upraveno 1 x.
Chevrolet AVEO LT, 1.2 63kW,2012 Borocay Blue
...v koži od MAD, DRL, kamera ... a ešte nie je koniec :)
Reklama
 

Uživatelský avatar
honza72
Příspěvky: 554
Registrován: úte čer 23, 2009 11:31
Bydliště: Ostravsko

Re: Led denne svietenie

Příspěvek od honza72 »

Já bych ještě zkusil ukostřit pin 11 na konektoru X1 BCM. (Zel/Hně kabel.)
Přílohy
X1_konektor_BCM.jpg
Mitsubishi Lancer Sportsedan 1,6 MIVEC
Ex. Cruze, Kalos, Nexia
--------------------------------------
Uživatelský avatar
Boeing737
Příspěvky: 1883
Registrován: ned čer 10, 2012 02:27

Re: Led denne svietenie

Příspěvek od Boeing737 »

Aká je šanca? Lebo to musím rozobrať palubovku.
Chevrolet AVEO LT, 1.2 63kW,2012 Borocay Blue
...v koži od MAD, DRL, kamera ... a ešte nie je koniec :)
Uživatelský avatar
honza72
Příspěvky: 554
Registrován: úte čer 23, 2009 11:31
Bydliště: Ostravsko

Re: Led denne svietenie

Příspěvek od honza72 »

No, ten drát by měl být přítomen ve svazku pro spínač světel, takže stačí se asi podívat tam. U spínače světel bez nulové pozice by měl být v luftě a ovládání funkcí se děje ukostřováním, proto to nereaguje na vytažení (rozpojení) ovladače. Jeho funkce se jmenuje: "Ovládání spínače světlometů pro zhasnutí světlometů"!!! :D

Pokud není v Tvém autě přiveden, tak je prázdný kontakt přímo u BCM (neosazen vodičem...)
Mitsubishi Lancer Sportsedan 1,6 MIVEC
Ex. Cruze, Kalos, Nexia
--------------------------------------
Uživatelský avatar
Boeing737
Příspěvky: 1883
Registrován: ned čer 10, 2012 02:27

Re: Led denne svietenie

Příspěvek od Boeing737 »

Odfotím to radšej ;)
Chevrolet AVEO LT, 1.2 63kW,2012 Borocay Blue
...v koži od MAD, DRL, kamera ... a ešte nie je koniec :)
Uživatelský avatar
Boeing737
Příspěvky: 1883
Registrován: ned čer 10, 2012 02:27

Re: Led denne svietenie

Příspěvek od Boeing737 »

Tento nerobí niečo podobné?

https://www.youtube.com/watch?v=01P0Thrzpvc
Chevrolet AVEO LT, 1.2 63kW,2012 Borocay Blue
...v koži od MAD, DRL, kamera ... a ešte nie je koniec :)
Uživatelský avatar
Boeing737
Příspěvky: 1883
Registrován: ned čer 10, 2012 02:27

Re: Led denne svietenie

Příspěvek od Boeing737 »

Takto to mám.
Přílohy
2015-02-22 12.52.07.jpg
2015-02-22 12.52.25.jpg
2015-02-22 12.53.06.jpg
Chevrolet AVEO LT, 1.2 63kW,2012 Borocay Blue
...v koži od MAD, DRL, kamera ... a ešte nie je koniec :)
Uživatelský avatar
Boeing737
Příspěvky: 1883
Registrován: ned čer 10, 2012 02:27

Re: Led denne svietenie

Příspěvek od Boeing737 »

Naozaj nejako veľa káblov na tie 3 funkcie ;)
Přílohy
2015-02-22 12.51.06.jpg
2015-02-22 12.51.22.jpg
2015-02-22 12.51.49.jpg
Chevrolet AVEO LT, 1.2 63kW,2012 Borocay Blue
...v koži od MAD, DRL, kamera ... a ešte nie je koniec :)
Uživatelský avatar
Boeing737
Příspěvky: 1883
Registrován: ned čer 10, 2012 02:27

Re: Led denne svietenie

Příspěvek od Boeing737 »

Ďalšie...
Přílohy
2015-02-22 12.50.09.jpg
Chevrolet AVEO LT, 1.2 63kW,2012 Borocay Blue
...v koži od MAD, DRL, kamera ... a ešte nie je koniec :)
Uživatelský avatar
Boeing737
Příspěvky: 1883
Registrován: ned čer 10, 2012 02:27

Re: Led denne svietenie

Příspěvek od Boeing737 »

Zelený mi tam neladí :)
"cvak" ? ;)
Chevrolet AVEO LT, 1.2 63kW,2012 Borocay Blue
...v koži od MAD, DRL, kamera ... a ešte nie je koniec :)
Uživatelský avatar
Scorpion.11
Příspěvky: 6277
Registrován: úte kvě 19, 2009 14:36
Bydliště: Městys Jedovnice

Re: Led denne svietenie

Příspěvek od Scorpion.11 »

Většinou cvakají červený :lol:
AVEO, 1.4 SEDAN STAR, 69KW, r.v 2008, koupeno (5/2009)

člen AVEO Fanclubu
Uživatelský avatar
honza72
Příspěvky: 554
Registrován: úte čer 23, 2009 11:31
Bydliště: Ostravsko

Re: Led denne svietenie

Příspěvek od honza72 »

Ve schématu je uveden kabel zelený s hnědým pruhem. Je tam takový? Má ten zelený hnědý proužek? A nic se necvaká, pouze se to ukostří! (Při ostatních rozpojených obvodech.)
Mitsubishi Lancer Sportsedan 1,6 MIVEC
Ex. Cruze, Kalos, Nexia
--------------------------------------
Uživatelský avatar
Boeing737
Příspěvky: 1883
Registrován: ned čer 10, 2012 02:27

Re: Led denne svietenie

Příspěvek od Boeing737 »

Zeleno+fialový...tam je na obr.
Iný viac farebný je len hnedo+bielý
Chevrolet AVEO LT, 1.2 63kW,2012 Borocay Blue
...v koži od MAD, DRL, kamera ... a ešte nie je koniec :)
Uživatelský avatar
slidil
Příspěvky: 1126
Registrován: pon úno 06, 2012 22:04
Bydliště: Koštice, okr. Louny

Re: Led denne svietenie

Příspěvek od slidil »

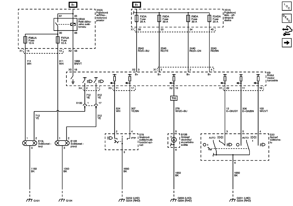
Ukostřením vývodu č.5. dojde k vypnutí DRL. Jenže ty na 5pinu žádnej vývod nemáš......

Schema je z Cruze, má stejnej ovladač na světla, takže předpokládám že konektor bude identickej.
DSCF0253.JPG
schema DRL.png
konektor osv.png
Hyundai Bayon 1.2DPi 58kW - 2024

Bylo:
Captiva 2,2VCDi LTZ 135kW - 2012 (4x4 - 7míst)
Chevrolet Aveo 1,4 74kW - 2010
Hyundai Santamo 2,0i 102kW - 1999 (4x4 - 7míst)
Uživatelský avatar
slidil
Příspěvky: 1126
Registrován: pon úno 06, 2012 22:04
Bydliště: Koštice, okr. Louny

Re: Led denne svietenie

Příspěvek od slidil »

Pokud nemáš na vypínači světel polohu "0", ale máš stejnej "řídící modul karoserie" pak by to šlo vyřešit i takhle:
schema DRL.png
Hyundai Bayon 1.2DPi 58kW - 2024

Bylo:
Captiva 2,2VCDi LTZ 135kW - 2012 (4x4 - 7míst)
Chevrolet Aveo 1,4 74kW - 2010
Hyundai Santamo 2,0i 102kW - 1999 (4x4 - 7míst)
Odpovědět

Zpět na „Aveo - Elektronika“