LED denné svietenie na cruze :)

Úpravy od motoru až po plasty

Moderátor: Blue Lanos

8327
Příspěvky: 10
Registrován: úte zář 20, 2011 12:49

Re: LED denné svietenie na cruze :)

Příspěvek od 8327 »

ahoj kluci je to vse krasny, ale o hovne ! ma uz nekdo odstraneny automaticky zapnuti svetel po nastartovani?jsem elektrikar ,ale
bez kaskady relatek a diod udelame hovno! je nekdo dal, ostranil jste nekdo jednoduse tu automatiku?
dejte zpravu dik milan
Reklama
 

Uživatelský avatar
slidil
Příspěvky: 1126
Registrován: pon úno 06, 2012 22:04
Bydliště: Koštice, okr. Louny

Re: LED denné svietenie na cruze :)

Příspěvek od slidil »

No myslím že u Cruze to tak jednoduchý jak na Aveu nebude.
U Avea stačilo rozstřihnout dva dráty, ale u vás asi buďto přehrát soft. nebo něco podobnýho jako je na obrázku. ( popřípadě rozkuchat přepínač světel a proletovat tak aby poloha O a poloha auto byly propojené)
DLR Cruze.png
Hyundai Bayon 1.2DPi 58kW - 2024

Bylo:
Captiva 2,2VCDi LTZ 135kW - 2012 (4x4 - 7míst)
Chevrolet Aveo 1,4 74kW - 2010
Hyundai Santamo 2,0i 102kW - 1999 (4x4 - 7míst)
Uživatelský avatar
pejee
Příspěvky: 1186
Registrován: pát čer 22, 2012 12:40
Bydliště: ZL

Re: LED denné svietenie na cruze :)

Příspěvek od pejee »

Všechno by to mělo jít přes diagnostiku naprogramovat, takže může defakto svítit co chceš aby svítilo
Chevrolet new Aveo (sonic) Misty Lake
Uživatelský avatar
miltík
Příspěvky: 51
Registrován: pon lis 05, 2012 09:13
Bydliště: Karlovarsko

Re: LED denné svietenie na cruze :)

Příspěvek od miltík »

..jsem na tom stejně, nainstaloval jsem ledky a budu muset řešit se servisem vypnutí "automatiky"
Chevrolet CRUZE SW 1.8 LTZ - LPG
Uživatelský avatar
Scorpion.11
Příspěvky: 6284
Registrován: úte kvě 19, 2009 14:36
Bydliště: Městys Jedovnice

Re: LED denné svietenie na cruze :)

Příspěvek od Scorpion.11 »

No to jsem velice zvědav jak pochodíš v servisu, ale spíše čítej s tým, že ti to neudělají, ale dej schválně vědět :PP:
AVEO, 1.4 SEDAN STAR, 69KW, r.v 2008, koupeno (5/2009)

člen AVEO Fanclubu
Uživatelský avatar
pejee
Příspěvky: 1186
Registrován: pát čer 22, 2012 12:40
Bydliště: ZL

Re: LED denné svietenie na cruze :)

Příspěvek od pejee »

Proč by to neměli udělat? otázka 10 minut taková věc
Chevrolet new Aveo (sonic) Misty Lake
Uživatelský avatar
Scorpion.11
Příspěvky: 6284
Registrován: úte kvě 19, 2009 14:36
Bydliště: Městys Jedovnice

Re: LED denné svietenie na cruze :)

Příspěvek od Scorpion.11 »

No na to musí být odborník i softwer s kterým to uděláš, ale pochybuji, že normální mechanik nemá možnost něco takového dělat :PP:
AVEO, 1.4 SEDAN STAR, 69KW, r.v 2008, koupeno (5/2009)

člen AVEO Fanclubu
domco528
Příspěvky: 18
Registrován: pát dub 26, 2013 08:40

Re: LED denné svietenie na cruze :)

Příspěvek od domco528 »

slidil píše:No myslím že u Cruze to tak jednoduchý jak na Aveu nebude.
U Avea stačilo rozstřihnout dva dráty, ale u vás asi buďto přehrát soft. nebo něco podobnýho jako je na obrázku. ( popřípadě rozkuchat přepínač světel a proletovat tak aby poloha O a poloha auto byly propojené)
DLR Cruze.png

Nazdar

Ja mam aveo 1,4 16V 74kw a neviem ako vypnut to denne svietenie....
Mohol by si mi prosimta povedat ktore dva draty to treba strihnut aby mi to stale nesvietilo ? Diky
Chevrolet Aveo Sedan 2009 1.4 16V DOHC 74kw Motor F14D4 Ecotec
Uživatelský avatar
lomngi
Příspěvky: 4540
Registrován: čtv bře 19, 2009 09:19
Bydliště: okr.Galanta . Slovensko

Re: LED denné svietenie na cruze :)

Příspěvek od lomngi »

Cruzaci POZOR.
Mám človeka ktorý dokáže vypnúť na CRUZOCH automatické zapínanie denného svietenia a umožní montáž led denných svetiel

Prípade záujmu kotaktujte ma cez SZ a zašlem tel kontakt na toho človeka.a môžete sa sním osobne dohodnúť.po dohode je ochotný namontovať aj zapojiť nové led svetlá. :PP:
Aveo sedan 1.2 16 V
2DIN rádio -7" obrazovka, , cúvacia kamera,
handsfree, cúvacie senzory,
GPS, tmavé fólie, interier - Red and Black.
exterier podsvietený

Aveaci pridajte sa a rozšírte aveofanclubb


Kód: Vybrat vše

http://aveofanclub-sk.webnode.sk/o-nas
Uživatelský avatar
ferry
Příspěvky: 276
Registrován: úte kvě 15, 2012 06:07
Bydliště: Liberec

Re: LED denné svietenie na cruze :)

Příspěvek od ferry »

Tak už zná někdo z Čech to tajemství vypnutí?
Chevrolet Cruze 1.6 LT+ Black Carbon Flash
Obrázek
Uživatelský avatar
ta3s
Příspěvky: 149
Registrován: pát čer 08, 2012 13:51
Bydliště: Považská Bystrica

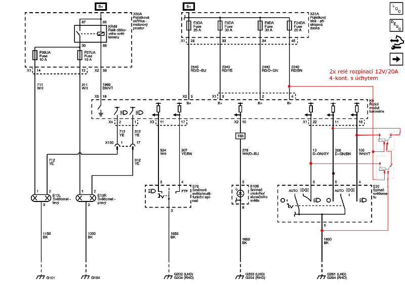
Re: LED denné svietenie na cruze :)

Příspěvek od ta3s »

slidile, co robi tato schema ?
Přílohy
schema.jpg
2011 Cruze HB 1,8 LTZ Silver Metalic + LPG Technology Gas/V-Lube
666
Příspěvky: 492
Registrován: sob črc 24, 2010 11:38
Bydliště: okres Rychnov nad Kněžnou

Re: LED denné svietenie na cruze :)

Příspěvek od 666 »

Teda kluci já se vás chci optat. Co vás vlastně vede k tomu, montovat LED denní svícení a vyřazovat automatiku? Už jezdím s cruzíkem 2 roky, /vlastně u Nubiry jsem si nechal namontovat automatiku již před 12 lety/nevšímám si ničeho a je to v pohodě. Jak budete řešit vjezd do tunelů atd. To honem budete zapínat světla ? Nebo vám to ušetří tolik benzínu? Nebo proč? Žárovky mám taky původní tak v tom to asi nebude :roll:
Daewoo Nubira, Chevrolet Cruze 1.8LT, čtyřkolka SMC Jumbo R5
Uživatelský avatar
Scorpion.11
Příspěvky: 6284
Registrován: úte kvě 19, 2009 14:36
Bydliště: Městys Jedovnice

Re: LED denné svietenie na cruze :)

Příspěvek od Scorpion.11 »

Jaroslave je to asi vše v jednom, ale s tým tunelem máš samozřejmě pravdu a asi spousta řidičů si to ani neuvědomí -i
Světla pro denní svícení zlepšují viditelnost vozidla zejména při jízdě proti slunci. Úspora elektrické energie a paliva, menší zatížení elektrické soustavy vozu a její opotřebování atd.
AVEO, 1.4 SEDAN STAR, 69KW, r.v 2008, koupeno (5/2009)

člen AVEO Fanclubu
Uživatelský avatar
pejee
Příspěvky: 1186
Registrován: pát čer 22, 2012 12:40
Bydliště: ZL

Re: LED denné svietenie na cruze :)

Příspěvek od pejee »

666: Co lidi vede dávat si led světla? tak se jim to líbí, taky se neptám co vede některé lidi prznit auta stylem tuning z benzinky a na kufru mít 3 prdele nálepek ;) a že těch tunelů u nás fakt je hodně -i
Chevrolet new Aveo (sonic) Misty Lake
Uživatelský avatar
slidil
Příspěvky: 1126
Registrován: pon úno 06, 2012 22:04
Bydliště: Koštice, okr. Louny

Re: LED denné svietenie na cruze :)

Příspěvek od slidil »

ta3s píše:slidile, co robi tato schema ?
Řekl bych že, pokud se rozsvítí LED, tak zároveň (po žlutém drátu) pošlou napětí na relé, které vypne automatiku svícení v autě, jako když máš přepínač světěl v poloze "0" Takže by mělo být jedno jestli jsou světla na "0" nebo ma "AUTO". Ostatní funguje normálně.
Ale je to jen moje doměnka, informoval bych se tam, odkud si stáhnul obrázek.
Hyundai Bayon 1.2DPi 58kW - 2024

Bylo:
Captiva 2,2VCDi LTZ 135kW - 2012 (4x4 - 7míst)
Chevrolet Aveo 1,4 74kW - 2010
Hyundai Santamo 2,0i 102kW - 1999 (4x4 - 7míst)
Odpovědět

Zpět na „Cruze - Tuning & Styling“