Packa svetiel

Moderátor: Blue Lanos

Odpovědět
navaras12
Příspěvky: 113
Registrován: úte lis 10, 2009 10:40
Bydliště: SVK

Packa svetiel

Příspěvek od navaras12 »

Zdravím Vás,
Stala sa mi nasledovná vec, páčka z ktorou prepínam tlmené a diaľkové svetlá sa nejako "zasekla" a po zapnutí svetiel svietia automaticky diaľkové svetlá. Nič by na tom nebolo ak by sa to dialo vždy (bezpochyby by som ju menil). Ono sa to deje až povedzme po hodine jazdy, kedy sa ten kontakt asi nahreje a spustí diaľkové svetlá. V prípade že ju držím jemne smerom k vodičovi, všetko je v poriadku.
Chcel by som sa Vás preto opýtať, je možné tú páčku nejako opraviť ? Kedže všetko funguje ako má až na ten problém, alebo je to nerozoberatelné, tj. rozoberiem a rozsype sa to, takže zháňať račej novú ?! ... ak je len malá šanca, spraviť do doma, rád sa z tým pohrám ...
Ďakujem :PP:
Reklama
 

Uživatelský avatar
conpet
Příspěvky: 3647
Registrován: čtv dub 21, 2005 22:59
Bydliště: Jaroměř
Kontaktovat uživatele:

Re: Packa svetiel

Příspěvek od conpet »

Vyměň za novou, potkávací světla nemají rele (pokud si to ještě dobře pamatuju) takže jsou vyhřátý kontakty.
Megane Grandtour ,Chevy Trax diesel automat
Sen- http://www.youtube.com/watch?v=mhAT0Bm1gjg&feature=related
Jde o politováníhodný omyl, který se stává maximálně dvakrát za deset let.
Přéčinó bela chebná elektronka E13 z našeho podniko Katoda Olomóc.
80% mozku tvoří kapalina u některých brzdová
Uživatelský avatar
Vypravca
Příspěvky: 1056
Registrován: pát črc 07, 2006 06:12
Bydliště: Banská Bystrica

Re: Packa svetiel

Příspěvek od Vypravca »

Presne tak.
Vymen za novu a na svetla daj relatko. Tak aby packa spinala len relatko.
Ja som to relatko vlozil do poistkovej skrinky pri baterke. Je tam na neho miesto. A natiahol z baterky priamo +12V, samozrejme cez poistku.
ex EVANDA, strieborná metalíza svetlá,
LPG BRC sequent 24
Automatické zapínanie svetiel, cúvacie senzory.
ex ESPERO strieborná metalíza.
ex ESPERO modrá metalíza.
DAEWOO MERCEDES McLAREN
LPG POZITIVE.
EGR NEGATIVE.
Diagnostika Autel Maxidiag univerzal.
navaras12
Příspěvky: 113
Registrován: úte lis 10, 2009 10:40
Bydliště: SVK

Re: Packa svetiel

Příspěvek od navaras12 »

Ďakujem Vám za rady ;)
Spravím to teda presne takto. Nech to poslúži aj ďalším ...
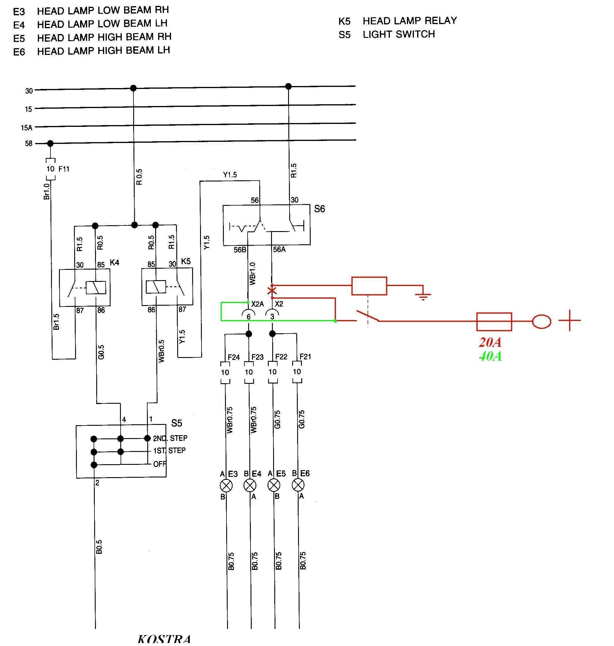
schema.JPG
(243.13 KiB) Staženo 116 x
Kladný pól je natiahnutý priamo od batérie cez poistku do silového kontaktu relé, z neho pokračuje na vstup diaľkových svetiel. Kladný pól z páčky je privedený na cievku relé, ktorej záporný pól je ukostrený.

Zelenou je možné rozšíriť svietenie diaľkových svetiel o stretávacie svetlá. Je však nutné patrične dimenzovať vodič a taktiež poistku. Ja to však budem pre istotu riešiť 2-ma relé, kedže nechcem riskovať zlepený kontakt.
Uživatelský avatar
Vypravca
Příspěvky: 1056
Registrován: pát črc 07, 2006 06:12
Bydliště: Banská Bystrica

Re: Packa svetiel

Příspěvek od Vypravca »

Presne tak.
Vsetko to spravis v poistkovej skrinke pri baterke. Zmesti sa ti tam aj relatko. Jedno klasicke, druhe to polovicne.
Ja som mal klasicke na tlmene, polovicne na dialkove.
ex EVANDA, strieborná metalíza svetlá,
LPG BRC sequent 24
Automatické zapínanie svetiel, cúvacie senzory.
ex ESPERO strieborná metalíza.
ex ESPERO modrá metalíza.
DAEWOO MERCEDES McLAREN
LPG POZITIVE.
EGR NEGATIVE.
Diagnostika Autel Maxidiag univerzal.
ppp
Příspěvky: 3372
Registrován: úte dub 12, 2005 19:24
Bydliště: SC , BA

Re: Packa svetiel

Příspěvek od ppp »

Takto by som to nezapajal, tlmene, ktore pouzivas najcastejsie ti budu nadalej nicit kontakt na packe, plus budu svietit slabsie nez cez rele priamo v motorovom priestore. Najlepsie dve rele, jedno na tlmene a jedno na dialkove. Ja mam 4 aj 4 poistky ale to je uz moj sposob, obcas to proste prehanam :). Aj tak si to musim prerobit, mam toho uz na kontaktoch na baterke privela.
Odpovědět

Zpět na „ESPERO“